CAIRO Audio Interface Standardisation for Multiple Operator working
Exercise Blue Ham showed us we may need to have multiple operators working a rig, or in a contest it would be handy for a second person to be able to do some of the logging. It is easier to operate using headphones, cutting out the echo from the bare walls of the Scout Hut. But then only one person gets to hear what’s coming in.
Simple solutions
A headphone splitter fixes that, but operators can’t adjust volume independently. A multiway headphone amplifier usually has separate volume controls, solving that problem. Switching between operators is a faff, however, if a headset with a boom microphone is used. CAIRO addresses this requirement, letting each operator use their preferred audio accessory.
CAIRO (Communications Audio Interface for Remote Operations)
Raynet apparently adopted CAIRO in the mid-1980s, which is documented on this very 1990s website. CAIRO deals purely with PTT1 and the baseband audio signals going to the transmitter and coming from the receiver, not power, RF and CAT.
At this stage we are only envisaging M/S2 operation. Raynet have this sort of operations layout:

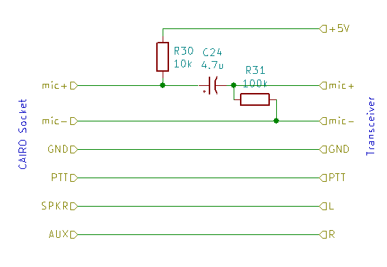
We don’t have the User Service person or the Message Clerk, but we can use the CAIRO Dual Operator Box to switch between the active operator of the rig. CAIRO keeps microphone ground separate from system ground until the transceiver, this means that CAIRO audio accessories can be used with handheld transceivers with a suitable adapter. The pinout of the connections is as follows. All pins face the transceiver. DIN plugs are not scoop-proof3, so some care should be taken to align them properly.

Stereo presentation
There are some modern rigs that use DSP to give a delay or stereo spread of CW stations allocated by pitch. We wire the left hand channel of a stereo headset to Primary (pin 1) and the right-hand channel to Secondary (pin 6). Transceiver adapters with a single receiver output (the vast majority of rigs) present the Primary on both pins 1 and 6. For rigs presenting a stereo signal pin 6 is connected to the right channel in the Transceiver adapter. Accessories are still regular CAIRO devices, but if the headset is connected to the rig adaptor directly stereo presentation will be preserved.
Stereo presentation will be lost using a Dual Operator box or a CAIRO long line; these wire Primary to both earpieces.
Equalising audio levels with electret and dynamic microphones
When CAIRO was specified in the 1980s, most rigs used dynamic microphone inserts. Base station rigs usually have enough microphone gain to cope with the very low signal levels coming from dynamic mics4 (< 1mV typically) and usually do not present the electret bias voltage on the microphone pins. More recent transceivers using the RJ45 modular connector like the Yaesu 450D still have the stock mic as a dynamic, but provide a 5v supply on the mic connector that can be used to bias an electret. Handhelds typically expect an electret microphone that needs a DC voltage on the mic+ pin, via a few k resistor in the rig which acts as the drain load for the electret insert’s internal FET. These rigs have less audio gain than typical base rigs, because the electret delivers more signal.

CAIRO mandates electret polarisation on Mic+, but reduces the output of electret mics on rigs designed for dynamics by shunting the audio load to 680Ω, compared to the more typical 2-10kΩ electret drain load. A 680Ω drain load on an electret will attenuate the signal by about 3-10 times relative to the normal load. This allows electret accessories to deliver higher audio levels to rigs designed for electret mics, while also working at a lower gain to rigs designed for dynamic mics. The other way round results in unusably low AF levels.
changing the system to run at electret level not dynamic levels
We simply use a 10kΩ resistor to the +5V rail, keeping electret signal levels high. I’m open to the criticism that an adapted standard is non-standard, but the change was made for a reason, and our accessories will still interwork with regular CAIRO rigs.

I changed this after tests on our accessories. G5FM has a Heil BM-10 headset, which has a dynamic mic. When tested with my FT897, the 680Ω shunt of the CAIRO rig adapter reduced the signal level so even with the rig’s mic gain adjusted to max modulation was not enough. Heil specify the BM-10 as a source impedance of 500Ω, which is quite high for a dynamic mic. For instance Shure’s classic SM58 dynamic microphone is specified at 150Ω, so there would be less signal loss when shunted by 680Ω. Heil make a higher-output model of the BM-10, the BM-10-iC that has an electret microphone insert, because some rigs can’t get enough signal level with this.
The problem can be tackled using a single transistor adapter. This needs a collector resistor higher than CAIRO’s 680Ω. I tested this with G5FM’s Heil BM-10 headset, and it drives the FT897 adequately through the redesigned CAIRO transceiver adapter of a 10k resistor to mic+ from the 5V rail. I tested the Heil headset and amplifier with a handheld and CAIRO passive transceiver adapter, it was fine.

Using a modified transceiver adapter at electret rather than dynamic mic levels means while our accessories are compatible with a Raynet CAIRO setup, our rig adapter isn’t. Should any members go that way in future their accessories will be fine in a Raynet CAIRO environment.

A bonus is that I felt uncomfortable with a shade over 7mA inrush current to dynamic microphones if they are hot-plugged into the CAIRO socket. The 10uF capacitor will be fully charged to 5V5. I’m sure it isn’t a problem, but it made me queasy thinking of that current going through the fine wires of the dynamic mic voice coil. A 10k tail resistor gets this down to 0.5mA with no surge, with a 5V supply.
Fine tuning audio levels
If there is a big disparity between operator/electret accessory combinations, we can equalise these with a series resistor and 4.7µF capacitor shunted across the mic+ and mic- on the louder mic/operator combination. We need to find some way of monitoring CAIRO mic levels to do that. It then permits us to adjust the rig mic gain such that the ALC just starts to activate on peaks.
An alternative would be to use one of the cheap ISD1820 Chipcorder boards from China, which would work well as a CQ parrot as well as providing AGC to level signal levels downstream of the board. DH8BQA’s BX184 voice keyer is an example of this approach. A similar approach was used in the Clansman military radios using the Plessey SL622/SL6270 AGC ICs.
-
PTT is typically a contact closure to ground these days, though it can be a NPN transistor saturating on PTT. ↩
-
Multi/Single - Many operators but only a single transmitter ↩
-
From microwaves101 “few people look at the pin-outs of connectors when they mate them, they just jam them together and expect them to work. In circular designs, someone is likely to force the two connectors together, then rotate them until they are able to push them together. Presumably, no harm will come to the connector, but in many designs, you will be “scooping” the pins as you rotate the pair, and they become bent and damaged. Scoop-proof connectors prevent this from happening.” With DIN connectors the pins are usually OK, it is the plastic of the socket that takes most of the wear with this sort of carry-on. ↩
-
Heil Sound, for instance, specify the BM-10-Dynamic insert with a sensitivity of -57dB @ 1kHz and the BM-10-iC electret insert with a sensitivity of -48dB @ 1kHz ↩
-
modelling the mic with a negligible DC resistance compared to 680Ω, the inrush current will be 5V ÷ 680 = 7.3mA. In pratice the Heil measures about 500Ω DC resistance so the inrush current is 5V ÷ (680 + 500) which is about 4mA. A DC resistance of 500 ohms together with the very distinct sensitivity of this mic to hum fields gives me a vision of many, many turns of very fine wire in there, either in the capsule or in a step-up transformer, 4mA still doesn’t feel good there. ↩